Description
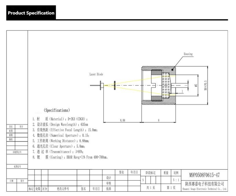
400-700nm focal length 15mm collimator lenses optical glass laser engraving collimating lens
For Collimating lens, the focal length we have 3.77mm,4.02mm, 4.39mm,6mm,6.2mm ,6.5mm,8mm, 8.3mm, 9.8mm, 10mm,11.2mm and 12mm.
Check the stock lenses in the following files.
Contact:Rebecca Xu
Email: rebecca@realpoo.cn


